schematy24 logo header

Suzuki Jimny (1998-2017) – skrzynka bezpieczników i przekaźników

Schematy skrzynek bezpieczników i przekaźników – Suzuki Jimny

Dotyczy pojazdów wyprodukowanych w latach:

1998, 1999, 2000, 2001, 2002, 2003, 2004, 2005, 2006, 2007, 2008, 2009, 2010, 2011, 2012, 2013, 2014, 2015, 2016 i 2017.

 

Komora silnika

W Suzuki Jimny z silnikami benzynowymi znajduje się po lewej stronie obok akumulatora. W silnikach wysokoprężnych – po prawej stronie.

Typ 1

Opis

1 80A WATT (akumulator, generator)
2 50A ABS (moduł ABS)
3 60A IG (przełącznik zapłonu)
4 30A (oświetlenie itp. – obwód bloku montażowego w kabinie)
5 30A (oświetlenie itp: – obwód bloku montażowego w kabinie)
Reklama

6 15A HEAD L (zestaw wskaźników, lewy reflektor)
7 15A HEAD R (prawy reflektor)
8 15A F1 (przekaźnik główny)
9 15А А / С (przekaźnik i elektryczny wentylator skraplacza)
Zobacz także:  Suzuki Swift (2010-2017) - skrzynka bezpieczników i przekaźników

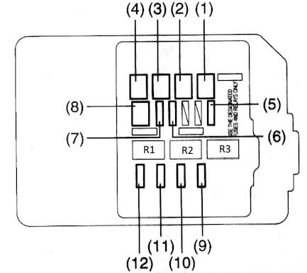
Typ 2

Opis

1 50A Stacyjka
2 Silnik ABS 40A
3 40A Stacyjka
4 30A Salenoid ABS
5 15A Układ sterowania silnikiem
6 15A Lewy reflektor
7 15A Prawy reflektor
8 50A Skrzynka bezpieczników w przedziale pasażerskim
9 15A Przednie światła przeciwmgielne
10 Wentylator 20A
11 30A Stranger
12 Klimatyzator 20A
  • R1 – Przekaźnik pompy paliwa
  • R2 – Przekaźnik silnika wentylatora skraplacza klimatyzatora
  • R3 – Przekaźnikowy system zarządzania silnikiem
Zobacz także:  Suzuki Alto 800, K10 (2012-2017) - skrzynka bezpieczników i przekaźników

Typ 3

Opis

1 Przekaźnik sprzęgła elektromagnetycznego sprężarki klimatyzacji
2
3
4 Przekaźnik nagrzewnicy płynu chłodzącego
Reklama

5
6 Przekaźnik sterujący silnika
F1 (80A) Generator
F2 (30A) Silnik wentylatora chłodzącego
F3 (50A) układ ABS
F4 (60A)
F5 (60A) Obwody blokady zapłonu
F6 (15A) Reflektor lewy
F7 (15A) Reflektor prawy
F8 (20A) Silnik dmuchawy nagrzewnicy
F9 (30A) Rozrusznik
F10 (30A) ECM
F11 (15A) Sprzęgło magnetyczne sprężarki klimatyzacji

Przedział pasażerski

Znajduje się pod deską rozdzielczą po stronie kierowcy.

Zobacz także:  Suzuki Ritz (2009-2016) - skrzynka bezpieczników i przekaźników

Typ 1

Opis

F1 10A Silnik dmuchawy nagrzewnicy
F2 15A / 20A Podgrzewana tylna szyba
Reklama

F3 15A Środek czyszczący, myjka do szkła
F4 15A Podgrzewane siedzenia
F5 15A Bezpiecznik zapalniczki
F6 15A Podgrzewana szyba przednia
F7 Alarm 15A
F8 Radio 15A
F9 10A Tylne światło przeciwmgielne
F10 10A Immobilizer
F11 10A Rozrusznik
F12 Okna elektryczne 30A
F13 15A System zarządzania silnikiem
F14 20A system sterowania 4WD
F15 10A Lampa cofania (y)
F 16 15A SRS
F17 10A Tablica przyrządów
F18 Układ ABS 10A
F19 10A Elektroniczna jednostka sterująca skrzyni biegów
F20 10A Wymiary z tyłu
F21 15A Światła stopu
F22 15A Centralny zamek
Reklama

Jakub Wojciechowski

Jakub Wojciechowski

Czy ten wpis był przydatny?

Wybierz gwiazdkę, aby ocenić wpis!

Średnia ocen 4.5 / 5. Liczba ocen: 4

Brak ocen. Bądź pierwszą osobą - zostaw opinię!

Brak komentarzy.

Dodaj komentarz

Twój adres e-mail nie zostanie opublikowany. Wymagane pola są oznaczone *

Kategorie

Wszystkie prawa zastrzeżone ©2024 Schematy24