schematy24 logo header

Kubota M100GX, M110GX, M126GX, M135GX – skrzynka bezpieczników i przekaźników

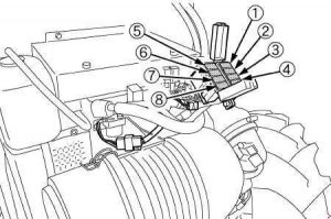
Schematy skrzynek bezpieczników i przekaźników – Kubota M100GX, M110GX, M126GX, M135GX

Schemat skrzynki bezpieczników

Kubota M100GX, M110GX, M126GX, M135GX – schemat skrzynki bezpieczników
Numer Ampery [A] Opis
1
2 10 ECU (zawieszenie)
3 5 ECU (przełącznik)
4 20 Odmgławiacz
Reklama

5
6 10 Lampa hamowania
7 5 Radio
8 5 Klimatyzator (sterowanie wentylatorem)
9 15 Wycieraczka
10 5 Przekaźnik rozrusznika
11
12 5 Przełącznik (kontrola transmisji)
13 5 Przełącznik (sterowanie zaczepem)
14 10 ECU (główne)
15 5 Główny licznik
16 5 4WD, Bi-speed, Blokada mechanizmu różnicowego
17 5 Sterowanie silnikiem, zawór WOM
18 10 Włącz sygnał
19 15 Gniazdo zasilania ładowarki aux
20 5 Monitor LCD
21 15 Światło robocze (strona kabiny)
22 15 Światło robocze (przód górny)
23
24
Reklama

25 10 Lampa opcjonalna
26 15 Światło robocze (z tyłu)
27 10 Światło robocze (maska)
28 15 Kompresor siedzeń
29 15 Gniazdko zapalniczki
30 15 Światło robocze (opcja)
31
32 15 Czołówka
33 30 Silnik wentylatora klimatyzatora
34 10 Sprężarka klimatyzacji
35 15 Lampa tylna
36 15 Światła awaryjne
37 10 Światło kopuły, radio
38 5 Klakson
39 5 Przekaźnik świecący
Reklama

40 5 Zapasowy (ECU, miernik)
Zobacz także:  Kubota U48-4 - skrzynka bezpieczników i przekaźników

M100GX, M110GX

Kubota M100GX, M110GX – schemat skrzynki bezpieczników

M126GX, M135GX

Kubota M126GX, M135GX – schemat skrzynki bezpieczników
Numer Ampery [A] Opis
1 20 MOC CRS

M100GX, M110GX

Kubota M100GX, M110GX – schemat skrzynki bezpieczników

M126GX, M135GX

Kubota M126GX, M135GX – schemat skrzynki bezpieczników
Numer Ampery [A] Opis
1 40 Odmgławiacz
2 30 Gniazdko elektryczne
3 40 Światło robocze (z tyłu)
4 120 M100GX, M110GX:

Wstępne podgrzewanie silnika

40 M126GX, M135GX:

Lampa robocza (kaptur);

Latarka czołowa.

5 40 M100GX, M110GX:

Światło robocze (kaptur)

Latarka czołowa

60 M126GX, M135GX:

Wstępne podgrzewanie silnika

6 40 Kompresor
7 30 Światła awaryjne
8 30 Główny przełącznik kluczykowy

M100GX, M110GX

Kubota M100GX, M110GX – schemat skrzynki bezpieczników

M126GX, M135GX

Kubota M126GX, M135GX – schemat skrzynki bezpieczników
Numer Ampery [A] Opis
9 140 Alternator
Zobacz także:  Kubota M7040 - skrzynka bezpieczników i przekaźników
Jakub Wojciechowski

Jakub Wojciechowski

Czy ten wpis był przydatny?

Wybierz gwiazdkę, aby ocenić wpis!

Średnia ocen 0 / 5. Liczba ocen: 0

Brak ocen. Bądź pierwszą osobą - zostaw opinię!

Brak komentarzy.

Dodaj komentarz

Twój adres e-mail nie zostanie opublikowany. Wymagane pola są oznaczone *

Kategorie

Wszystkie prawa zastrzeżone ©2024 Schematy24